MENU
プラトン
当院が取り扱っているインプラントメーカー
プラトンインプラントは、日本の歯科医師・企業・大学などがチームとなって開発した、日本人向けのインプラントシステムです。日本の優れた精密機械加工技術や表面処理技術を結集して作られています。
日本人向けに開発されており、骨幅が狭いなどの日本人の骨格的な特徴を考慮し、様々なサイズやタイプが用意されています。
また、精密加工技術に基づく1.3°のテーパーロック構造を採用することで、インプラントと上部構造の隙間や動き(マイクロギャップ・マイクロムーブメント)を軽減し、インプラント周囲炎の予防に寄与するとされています。
国産のインプラントシステムとして、日本の臨床データや技術に基づいて開発され、幅広い症例に対応できる柔軟性を持っていることが強みと言えます。
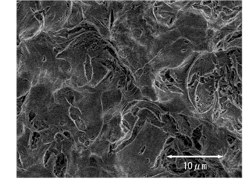
SAG
微細な研磨剤・酸・プラズマ処理を施し、骨や軟組織との結びつきを促進します。顎の骨が細いケースなどに適しています。
HAコーティングBiO
骨の成分であるハイドロキシアパタイト(HA)を引き寄せて、骨との結合を早めることが特徴です。骨の量が少ない場合でも早期結合を目指します。

〒657-0028
兵庫県神戸市灘区森後町3-1-18
(ミスタードーナツ 2F)
tel:078-821-9800
| 診療時間 | 月 | 火 | 水 | 木 | 金 | 土 |
|---|---|---|---|---|---|---|
| 9:00~13:00 | / | ● | ● | / | / | ● |
| 14:00~18:00 | / | ● | ● | / | / | ● |
| 10:00~14:00 | ● | / | / | ▲ | ● | / |
| 15:00~19:00 | ● | / | / | / | ● | / |
▲=オペ日 【休診】木曜、日曜、祝祭日
※祝日のある週は木曜日も診療
(9:00~13:00/14:00~18:00)
Copyright© Ushijima Dental Clinic All Rights Reserved.